Tausch Einspritzanlage Mono Jettronic

Als die Zylinderkopfdichtung gewechselt wurde sagte der Mechaniker dass die Leerlaufdrehzahl nicht runter geregelt wird und ich das mal beobachten sollte. Das Problem war mir vorher nie aufgefallen aber jetzt wo man darauf achtet stimmt es die Motordrehzahl geht selbst nach langer Zeit nicht auf ein normales Niveau zurück.

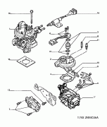
Der Mechaniker meinte ein Wechsel der Einspritzanlage (ich habe keine Ahnung wie das Teil heißt, aber ich nenne es jetzt mal so) siehe Bild Links Details Nr.2 sei recht einfach …

Dafür müssen nur die Benzinschläuche abgeklemmt, 4 Torx Schrauben gelöst werden und die Tibbel (grüne Pfeile) zusammen gedrückt werden.

dann kann man alles leicht abheben und austauschen. Ich hatte die Einspritzanlage noch aus einem Schlachtauto allerdings mit 75 PS Motor aber lt. Mechaniker ist es die selbe wie im 60 PS Motor.

Beim Zusammenbau sollte man allerdings darauf achten das die Dichtung (siehe mittleres Bild) intakt ist und vor allem das man sie nicht vergisst , so wie ich 😉 . Aber was merkwürdig ist es passt auch alles ohne Dichtung und er läuft absolut Problemlos hatte sogar das Gefühl das er noch deutlich besser läuft warum auch immer, wer es weiß kann es ja gerne posten.
Vielleicht fühlte es sich auch nur so an als wenn ?

Auf jeden Fall geht der Motor jetzt nach kurzer Zeit auf normales Standgas zurück, also alles gut.